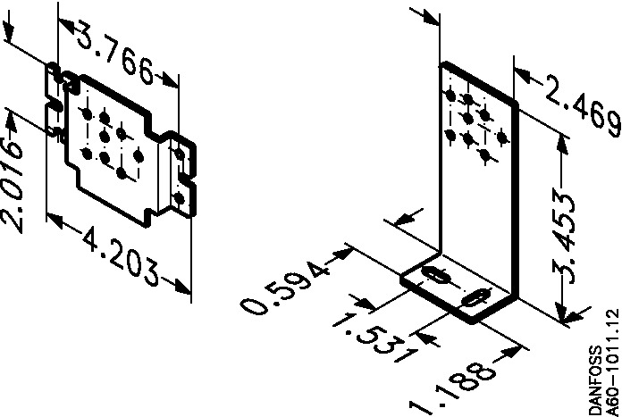
Switches Accessories, Wall Bracket Angle

Product number: RDD4044
PLEASE LOGIN TO SEE PRICES
Product Group : Danfoss KP1 & KP15 Pressure Switches
General Information
Product Group : Danfoss KP1 & KP15 Pressure Switches
Model Number : 060-105666
Parts Included : 4x screw M4x6
Type : Mounting bracket
Used For : KP, MP
Additional Info
Additional Info : Angle bracket
Logistical Information
Commodity Code : 83024900
Country Of Origin : POL
EAN : 5702428021036
Gross Weight : 0.174 kg
Measurements
Weight : 0.17 kg
Description
Switches Accessories, Wall Bracket Angle
Contact us for more information
File name Extension Size
Technical Literature pdf 324.48 KB